Усилитель для автомобильного сабвуфера своими руками
Собрать хороший автомобильный усилитель для сабвуфера своими руками не составит большего труда, если у вас есть хотя бы небольшие навыки монтажа радиоэлектронных устройств или желание получить их. Используйте для этого схему УНЧ на основе микросхемы TDA1562Q. Допуски по питанию этой микросхемы позволяют запитать ее от бортовой сети и установить усилитель вместе с сабвуфером в машину без преобразователя напряжения.
Содержание статьи:
Описание УМЗЧ TDA1562Q
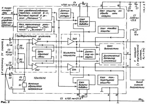
Эта микросхема представляет собой мостовой монофонический усилитель сигнала ЗЧ. При небольшом входном сигнале, когда мощность, рассеиваемая на нагрузке, не превышает 18 Вт, устройство работает как усилитель класса B. Увеличение входного сигнала приводит к включению в работу схем вольтдобавки с внешними электролитическими конденсаторами. При этом усилитель переходит из режима B в режим H. В результате напряжение питания микросхемы поднимается, увеличивая выходную мощность УМЗЧ до 70 Вт. Нагревание устройства до 120 ◦C приводит к тому, что встроенный в микросхему температурный датчик возвращает усилитель в режим B с выходной мощностью не более 20 Вт. Снижение напряжения питания до 7 В распознается автоматикой устройства, которая переводит его в режим «Молчание». Последующее увеличение напряжения питания до 9 В заставляет автоматику снова включить его.

Микросхема имеет следующие характеристики:
- Напряжение питания – от 8 до 18 В.Пиковый выходной ток – до 10 А.Ток режима молчания – 100–150 мА.Сопротивление нагрузки – 4 Ом.Коэффициент гармоник – 0,03% (Pвых= 1 Вт); 0,06% (Pвых= 20 Вт); 0,5 (Pвых= 55 Вт); 10% (Pвых= 70 Вт).Диапазон частот – от 16 Гц до 20 кГц.Коэффициент усиления по напряжению – 26 ДБ.Входное сопротивление – 10 кОм.
Цоколевка
- 1 – Не инвертирующий вход ЗЧ.2 – Инвертирующий вход ЗЧ.3 и 5 – Точки для подключения емкости вольтдобавки верхнего по схеме плеча усилителя.4 – Вход переключения режима работы.6 и 12 – «Масса» (отрицательные выводы питания).7 – Не инвертирующий выход ЗЧ.8 – Выход сигнала диагностики.11 – Инвертирующий выход ЗЧ.13 и 15 – Выводы для подключения емкости вольтдобавки нижнего по схеме плеча усилителя.14 – Вывод контроля эталонного напряжения.16 – Выход сигнала индикации.17 – «Масса» (общий провод) входа.

Изготовление печатной платы
Простые электронные устройства из нескольких деталей можно, конечно, изготовить навесным монтажом, если вы предполагаете использовать их дома. В нашем же случае лучше смонтировать узел на печатной плате. Для изготовления платы:
- Вырежьте заготовку нужного размера.Почистите фольгу на ней мелкозернистой наждачной бумагой № 1000, а при ее отсутствии канцелярским ластиком.Обезжирьте заготовку ацетоном.Положите бумагу с рисунком платы на фольгированный текстолит и переколите точки отверстий на фольгу.Нарисуйте дорожки маркером.Травите плату в растворе хлорного железа. Заменить хлорное железо можно, растворив 1 столовую ложку медного купороса и две ложки поваренной соли в стакане воды. Реакция пойдет быстрее, если раствор подогреть.Промойте плату водой.Сверлите отверстия.Лудите дорожки и плата готова.
Монтаж устройства

Самодельный усилитель такой конструкции не следует использовать с сабвуфером, имеющим встроенные фильтры. Выделение низкочастотной составляющей звукового сигнала лучше сделать до подачи на вход микросхемы.
Для электрического монтажа устройства, включая подключение динамика сабвуфера, используйте только толстые провода. Так как при невысоком напряжении питания большая мощность развивается усилителем в основном за счет значительного тока. Поэтому даже небольшое увеличение сопротивления проводников приведет к уменьшению мощности и росту искажений.
Микросхему усилителя сабвуфера нужно обязательно установить на радиатор эффективной площадью не менее 500 см2. Радиатор неплохо оснастить вентилятором с рабочим напряжением 12 В, например, от компьютера.
Для лучшего отвода тепла устанавливать микросхему на радиатор следует с применением теплопроводящей пасты.
Светодиод индикации включения устройства должен быть зеленого цвета, а индикатор перегрузок и срабатывания защиты – красного.
Так как устройство потребляет в режиме молчания значительный ток, лучше не подавать на него питание постоянно. Для подачи питания удобно использовать реле, которое включается при включении магнитолы. Каждая магнитола имеет выход для включения реле выдвижной антенны, его и нужно использовать для подачи питания. Теперь вы знаете, как сделать усилитель для сабвуфера.
