101авто
Всё про автомобили простым языком

Выбрать бани и сауны на 101sauna.ru

Как сделать автомобильный инвертор 12-220v своими руками

Инвертор (преобразователь) используют для подключения к бортовой сети автомобиля различных устройств, работающих от напряжения 220 вольт, например, мощного усилителя или ноутбука. Преобразователи, которые продают в магазинах, не всегда могут выдать необходимую мощность, поэтому многие водители, разбирающиеся в электронике, делают автомобильный инвертор 12 220v своими руками. Устройства, которые делают своими руками, лучше подходят для питания конкретных устройств, а также обходятся дешевле, чем серьезные агрегаты, продающиеся в магазинах.

Содержание статьи:

Как работает инвертор

Основа автомобильного инвертора – генератор с широтно-импульсной модуляцией (ШИМ). Это устройство работает от аккумулятора 12 вольт и выдает прямоугольные импульсы (меандр) с изменяемой скважностью (соотношением времени наличия/отсутствия напряжения). Когда скважность равна единице, инвертор обеспечивает максимальный ток. Чем меньше скважность, тем соответственно, меньше ток. При этом напряжение на выходе всегда соответствует значению 220 вольт.

Как сделать автомобильный инвертор 12-220v своими руками

Частота работы генератора от 50 килогерц до 5 мегагерц, в зависимости от схемы и деталей. Превращение высокочастотного напряжения в низкочастотное (50 герц) происходит с помощью сглаживания меандра в колебательном контуре, образованном трансформатором и конденсатором, а также фильтрации гармоник. Ведь генератор ШИМ не только создает переменное напряжение 220 вольт с высокой частотой, но благодаря меняющемуся изменению скважности, модулирует выходное напряжение синусоидальным сигналом с частотой 50 герц.

Когда инвертор работает без нагрузки, скважность сигналов ШИМ-генератора минимальна, а напряжение на выходе составляет 220в. Подключение нагрузки приводит к увеличению тока и падению напряжения на выходе устройства ниже 220v. Система обратной связи сравнивает выходное напряжение с заданным стандартом, после чего подает на генератор сигнал, увеличивающий скважность импульсов. Благодаря этому возрастает выходная мощность, поднимается напряжение. При отключении нагрузки выходное напряжение поднимается выше 220 вольт, после чего система обратной связи снижает скважность импульсов до тех пор, пока напряжение не придет в норму. Изменение скважности и выходного тока приводит к увеличению нагрузки на аккумулятор, поэтому его напряжение нередко опускается ниже 12 вольт. В этом случае схема с обратной связью еще больше увеличивает скважность, вплоть до единицы.

Нередко преобразователь, сделанный своими руками, в котором не предусмотрена обратная связь, реагирует на подключение к разряженному аккумулятору снижением выходного напряжения. Поэтому они не очень подходят для питания усилителя или ноутбука, но вполне смогут обеспечить функционирование устройств с реактивной нагрузкой – ручной электроинструмент, лампы, кипятильники.

Если преобразователь необходим для питания усилителя, приемника, телевизора или ноутбука, то без обратной связи не обойтись. Некоторое усложнение схемы компенсируется тем, что обратная связь компенсирует перепады напряжения, благодаря чему обеспечит нормальную работу усилителя или других устройств.

Выбор схемы

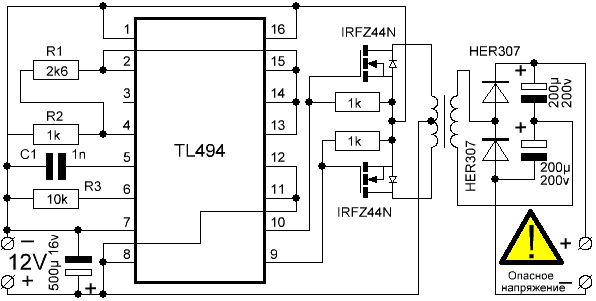
В интернете выложено огромное количество схем устройств, преобразующих энергию автомобильного аккумулятора (12 вольт) в переменное напряжение 220 вольт и пригодных для изготовления своими руками. Поэтому выбирать схему необходимо, ориентируясь на доступ к элементной базе и опыт работы с такими устройствами. Если неподалеку от вас есть магазин радиодеталей, то вы можете узнать у них, какие контроллеры и силовые транзисторы наиболее доступны и уже под них подобрать наиболее подходящую схему. Также можно воспользоваться теми деталями, которые есть в любом блоке питания компьютера. Оттуда вы сможете взять:

    контроллер (ШИМ-генератор);ферритовое кольцо для трансформатора;силовые транзисторы;конденсаторы;резисторы;фильтрующие дроссели.

Если вы не уверены в том, что сможете своими руками сделать сложное устройство с обратной связью, собирайте инвертор 12 → 220 вольт на основе мультивибратора на 50 герц. Трансформатор для него можно снять со старого транзисторного телевизора или источника бесперебойного питания (UPS). Такой инвертор занимает гораздо больше места, чем высокочастотное устройство, однако он проще в настройке, да и детали для него найти легче.

Как сделать автомобильный инвертор 12-220v своими руками

Пример схемы

Подключение и эксплуатация инвертора

Автомобильный инвертор с 12 в 220 вольт мощностью больше 120 ватт потребляет ток свыше 10 ампер, поэтому его нежелательно подключать к штатному прикуривателю или замку зажигания. Это особенно актуально для современных автомобилей. Ведь более сильный ток приведет к перегоранию предохранителя, а установка вместо него «жучка» может закончиться возгоранием проводки. Поэтому инвертор мощностью свыше 120 ватт необходимо подключать к аккумулятору через предохранитель и выключатель с реле. Для этого придется своими руками проложить отдельный провод и установить где-то розетку на 220 вольт. Ее можно поставить как под передней панелью со стороны пассажира, так и в багажнике. Ведь очень неудобно каждый раз открывать капот, подключать инвертор к аккумулятору и тащить провод в салон машины. Проще нажать на кнопку, которая включает реле и преобразователь с 12 на 220 вольт начнет работать.

Паразитные гармоники

Любой инвертор, работающий от аккумулятора 12 вольт, помимо напряжения с частотой 50 герц, производит и огромное количество гармоник, большая часть которых кратны частоте работы ШИМ-генератора. Эти гармоники появляются из-за влияния меандра на колебательный контур, образованный трансформатором и конденсатором. Если уровень гармоник высок, то они будут влиять на работу усилителя, CD-проигрывателя или приемника, подключенных к бортовой сети автомобиля (12 вольт) наполняя их сигнал шумами, треском, рычанием и другими посторонними звуками. Однако гармоники никак не скажутся на работе ноутбука, лампы или ручного электрического инструмента.

Чтобы снизить влияние паразитных гармоник, преобразователь инвертора 12 – 220 вольт закрывают тонким жестяным экраном и своими руками подключают к минусовой клемме аккумулятора. Также можно бороться с гармониками увеличением частоты ШИМ-генератора, вдобавок подключив своими руками дополнительные дроссели в цепи входного и выходного напряжения. Большая индуктивность не мешает прохождению постоянного тока. Однако для переменного тока действует другое правило – чем выше частота или индуктивность, тем выше реактивное сопротивление. Учитывая, что частота паразитных гармоник гораздо выше частоты работы генератора, правильно подобранный дроссель в десятки раз снижает их интенсивность.

Источник

Оставьте ответ

Ваш электронный адрес не будет опубликован.